![]() |
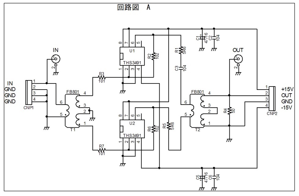
今まで使用してきたOPA2677は、非常に便利で多く使用してきましたが、500mWが限界で800mW出力させたこともありますが放熱条件をきっちりと行わないと危険でした。そこで、電流帰還タイプのオペアンプ形式で、もっと出力の出せるデバイスがあるので今回実験してみました。2677と比べて大きな相違点は ①電源電圧が32V(±16V) ②スルーレート=8000V/us ③サーマルシャットダウン機能付 欠点としては2677は2個/1パッケージ入りだが、3491は1個/1パッケージであり、2677は1個で用を達していたが、3491は2個必要となる。回路構成としては、2677と同様にBTL構成となる、つまり、2つの回路出力をBridge接続して、プッシュプル出力方式より2倍の電圧出力が得られて、電力では4倍となる。 元々、BTL回路は、カーステレオが市場にデビューして12Vのバッテリー電圧で大出力のパワーを出力するための手法で生まれたもので、スピーカーもホームタイプは8Ω/16Ωであるが、カーステレオは3Ω/4Ωのスピーカーが殆どである。前置きはこの位にして本題にうつる。回路図としては、回路図Aと回路図Bがあるが、回路図Aは入力=50Ωで結合したい時、回路図Bは入力インピーダンスは自由に設定出来るが、入力インピーダンスの低い方が安定して動作する、同程度の利得設定ではF-特の差も殆どでない。又、出力回路はどちらの回路も50Ω出力となるようにマッチングさせる。 ![]() ![]() F-特性を左右するのが、入-出力トランスの結合係数で、FB-801にトリファイラーでΦ2.6で5ターン(コアの巻き数で5t、コアの外側を数えると4回)で作成、では、シミュレーションしてみよう。 ![]() ![]() 実機検証するに、パターン設計をしてみた。知り合いの局長さんにエッチングをしていただきPWBを作成しました。ここで重要なのは、このデバイスで1W以上の出力を得ようとするには実験用の穴あき基板を使用しての検証は出来ない。両面基板で反対面の銅箔で放熱させアルミ板で放熱条件を成立させる。 ![]() ![]() ![]() ![]() 通電をして50Ω両端での特性確認をしてみるが、回路図Bでは発振不安定であったため、回路図Aで通電してみた。結果としては1.2W以上の連続出力ではサーマルシャットダウン機能が動作し、停波する、温度がUP/DWを繰り返しON/OFF動作の繰り返しとなる。放熱Padからアルミ板までの放熱抵抗が高すぎる。私の加工の仕方がマズイのか、結局、両面スルーホールを試作して行うしかない。 ![]() |